어서 오세요 可立可电子(上海)有限公司 공식 사이트!
CH
EN
한국어
첫 페이지로 설정
|
본 사이트 수집
첫 페이지
제품
传感器
监控和保护继电器
固态继电器
功率调整器
旋转编码器
系统控制
업계
公司新闻
行业资讯
通知公告
다운로드
产品目录
图纸文件
软件与驱动
视频与动画
회사
公司介绍
联系我们
첫 페이지
제품
서비스
업계
다운로드
회사
제품
첫 페이지 / 제품
传感器
监控和保护继电器
固态继电器
功率调整器
旋转编码器
系统控制
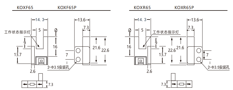
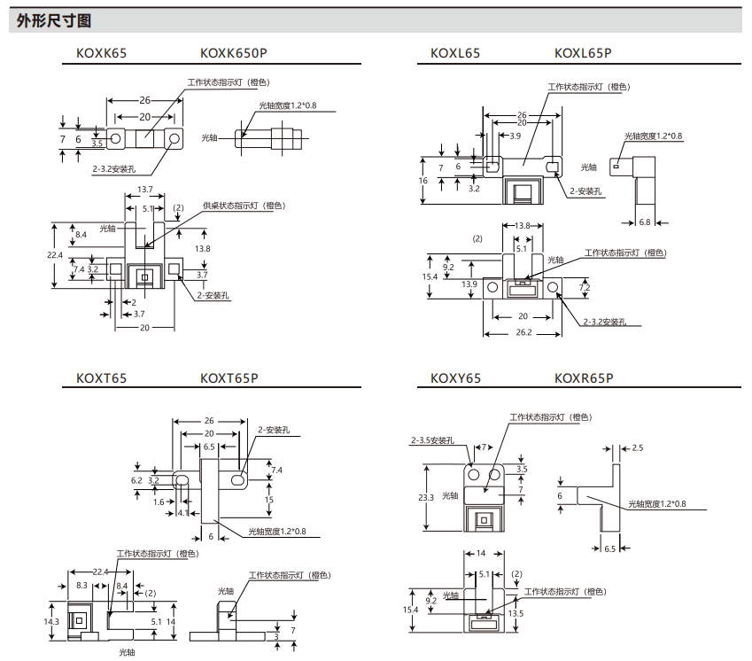
KO-X65系列 接插型槽型光电传感器
产品特性
简易连接型,省去了以往需求实施锡焊接, 绝缘处理等一切麻烦实现快速连接,非常简便。
标配2M柔性导线,线长可定制。
电源电压范围5~24VDC。
应答频率为3KHZ的高速响应。
Copyright © 2026 可立可电子(上海)有限公司 All Rights Reserved |
沪ICP备2025137746号-1
전화기
문자 메시지
QR코드
첫 페이지
021-63013033
13764662222
woonyoung@126.com